Like-for-Like Replacement for Existing GEA BLOCK Units
In rich/lean amine systems and other aggressive industrial duties, many operating plants still rely on GEA BLOCK type full welded heat exchangers WPHE BT-40-5C-150V-240. When these units reach the stage of replacement, plant owners usually do not want to change the equipment concept itself. What they need is a same-category replacement that fits the application logic, supports shutdown schedules, and reduces the commercial burden of the project.
HEXNOVAS provides this route with CP40-150, a full welded block heat exchanger developed for the same class of industrial services. This solution is not positioned as a different heat exchanger technology. Instead, it is a practical and credible replacement choice for users who need comparable quality and performance, while gaining advantages in price, lead time, response speed, and future operating cost.

Drawing-Based Replacement, Not Generic Marketing
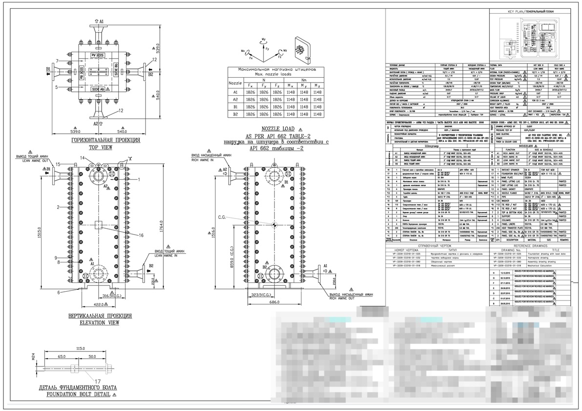
This solution page is based on a real replacement context. The original project drawing, the site photo of the existing unit, and the photo of the HEXNOVAS replacement equipment all confirm that this is a practical field replacement case rather than a generic product promotion page.


HEXNOVAS CP40-150 Replacement Unit
The replacement supplied by HEXNOVAS is CP40-150, built as a full welded block heat exchanger for the same category of application. This means the project does not require the user to switch from one heat exchanger type to another. Instead, it preserves the familiar process logic while improving the commercial and service side of the replacement project.
For end users, EPCs, and maintenance contractors, this is often the most practical path. In replacement work, the decision is not only about whether the original design principle works. It is also about whether the new supplier can provide a dependable unit with the right price, lead time, responsiveness, and future support cost.

Where the Replacement Advantage Really Comes From
Because the original GEA BLOCK unit and the HEXNOVAS CP40-150 belong to the same equipment type, the core argument of this solution page should not be that one is a fundamentally different technology. The more realistic and persuasive advantage lies in the commercial and lifecycle value of the replacement project.
Helps reduce replacement budget pressure for shutdown projects and service contractors.
Supports practical plant maintenance schedules and avoids excessive waiting for replacement delivery.
Quotation, drawing review, technical clarification, and project follow-up can move more efficiently.
Provides a credible same-type industrial replacement rather than a low-end substitute.
Replacement decisions should consider not only capex but also the long-term cost of operation and support.
Future parts and service-related expenses are easier to control, improving lifecycle economics.
GEA BLOCK Type Unit vs HEXNOVAS CP40-150
| Comparison Item | Existing GEA BLOCK Type Unit | HEXNOVAS CP40-150 |
|---|---|---|
| Heat Exchanger Type | Full welded block type | Full welded block type |
| Application Logic | Rich/lean amine and demanding industrial service | Rich/lean amine and same-category industrial service |
| Replacement Route | Original brand continuity | Like-for-like replacement alternative |
| Technical Positioning | Proven industrial solution | Comparable industrial quality and performance |
| Price Level | Typically higher | More competitive |
| Lead Time | Often longer | Shorter and more flexible |
| Response Speed | Often slower in replacement communication | Faster technical and commercial response |
| Future Spare Parts Cost | Higher OEM-related cost burden | Lower and easier to control |
| Future Maintenance Cost | Higher lifecycle support burden | Lower long-term maintenance cost |
| Project Flexibility | More standardized process | More flexible replacement coordination |
Lower Lifecycle Cost Matters More Than Initial Purchase Price Alone
In replacement projects for welded block heat exchangers, the equipment purchase price is only one part of the decision. What frequently becomes more important over time is the total lifecycle cost of keeping the unit in operation. This includes future spare parts supply, service coordination, maintenance intervention, and the practical cost of project response when something needs to be handled quickly.
For this reason, CP40-150 should be presented not only as a replacement unit, but as a long-term operating cost optimization option. When the future spare parts cost is lower and the service response is faster, the replacement value continues after installation rather than ending at delivery.
- Lower spare parts cost reduces future OEM dependency and budget uncertainty.
- Lower maintenance cost improves lifecycle economics for the plant owner.
- Faster response reduces decision delay during inspection, maintenance, and shutdown preparation.
- Shorter lead time supports tighter project windows and practical plant planning.
Typical Services for This Replacement Approach
Although this case is based on a rich/lean amine heat exchanger, the same replacement logic can apply to other full welded block heat exchanger duties where the user wants to keep the equipment category but improve sourcing flexibility and lifecycle cost control.
- Rich / lean amine systems
- Gas treatment and sweetening service
- Refinery and petrochemical process duties
- Chemical process heat recovery
- Industrial services requiring compact, full welded block exchangers
Need a Replacement for a GEA BLOCK Type Full Welded Heat Exchanger?
If you are planning to replace an existing welded block heat exchanger and want a practical alternative with comparable quality, better price competitiveness, shorter lead time, faster response, and lower long-term maintenance cost, HEXNOVAS can support the project with engineering review and replacement coordination.

